| Sign In | Join Free | My hardware-wholesale.com |
|
Brand Name : Hangyang
Model Number : KDN-700/110Y Pure Nitrogen Generator & Instrument Air System
Certification : CE/ASEM/GB
Place of Origin : China
MOQ : 1 SET
Price : according to actual requirement
Supply Ability : according to actual requirement
Delivery Time : according to actual requirement
Packaging Details : wooden case, nude packing, container
Type : EPC
Contractor : Hangyang
Service : Design , installation , management
Package : Seaworthy packing
Air separation plant engineering project KDN-700/110Y Pure Nitrogen Generator & Instrument Air System
High Purity
Typical Product:
KDN-700/110Y Pure Nitrogen Generator & Instrument Air System
Main design reference:
1) GB 50316-2000;
2) GB 16912-1997;
4) GB50184-93;
5) GB50185-93;
6) GB50235-97;
7) GB50236-98;
8) GB 50016-2006;
9) GB 3323-2005;
10)JB/T 6896-93;
11)JB 4730-2005;
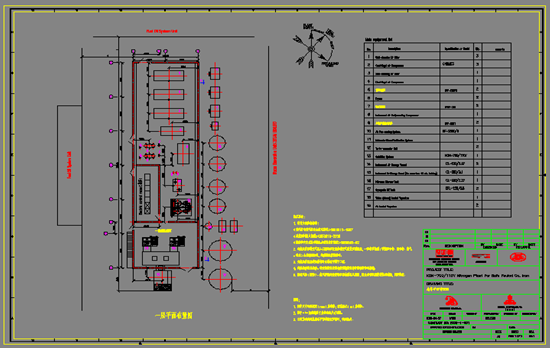
Equipments Layout:
1st Floor:

2nd Floor:

Introduction of main equipments:
1. Fee air compressor: compress the mechanical impurities removed air to process required pressure, and then send the air to designated area.
2. Air pre-cooling unit: preliminary cooling for the air out of air compressor.
3. Molecular sieve purifier: adsorb the moisture, acetylene, carbon dioxide and part hydrocarbon in the feed air to guarantee the normal running of air separation plant.
4. Expander: the main cold source of the plant.
5. Fractionating: Fractionating column: rectify the feed air to obtain needed products.
Valve Installation Construction and Acceptance
1. When install the valve, check the nominal pressure, diameter, working medium and fluid flow direction according to the drawing or design documents. And it must have product factory certification.
2. The shell test and sealing test for each valve must be carried out according to the 3.0.5 regulation in GB50235 before installing valves; The sell test pressure must not be less than 1.5 times of the norminal pressure, and the test time should not be less than 5min, and it is qualified when there is no leakage for the shell packing.
3. When install the valve, the installation direction for the hand wheel should be subject to the easy operation when there is no special specification. But the hand wheel must not be installed downward.
4. The open and close pressure for the safety valves with the equipments will follow the regulations of design documents from the equipment manufacturer. The open pressure of the safety valve on the pipe will be adjusted according to 1.05~1.1 times of maximum working pressure, and there must be no leakage under the working pressure after adjusting.
Competitive Advantage:
1. Our company is one of the state 21 great equipment domestication bases
2. Our company can provide the engineering design and installation service, and technical services and after-sale equipment maintenance.
3. Powerful manufacturing capacity
4. Mature project engineering supervision
5. Impeccable quality management system
6. Our company is a state-owned enterprise that can give professional consult, design, supervision, project management, import and export trade, forming a complete set for air separation plant, and engineering project contracting (EPC).
|
|
Air separation plant engineering project Pure Nitrogen Generator & Instrument Air System High Purity Images |